○千曲坂城消防組合消防職員委員会の運営に関する規程
平成8年10月1日
訓令第3号
(趣旨)
第1条 この訓令は、千曲坂城消防組合消防職員委員会規則(平成8年千曲坂城消防組合規則第2号。以下「規則」という。)に基づき、委員会の運営に関し必要な事項を定めるものとする。
(委員長)
第2条 消防長は、委員長を指名するときは、人事通知書によるものとする。
2 消防長は、委員長に事故ある場合は、規則第2条に規定する消防長に準ずるものを委員長に指名するものとする。
(委員の指名方法)
第3条 消防長は、委員を指名するときは、人事通知書によるものとする。
2 消防職員による委員の推薦は、組織区分に所属する職員の話合いによるものとする。
3 組織区分の代表者は、当該組織区分が推薦する職員を推薦書(様式第1号)により消防長に推薦するものとする。
4 組織区分の代表者は、総務課長及び消防署長とする。
5 消防長は、委員を指名したときは、職員に公表するものとする。
(意見取りまとめ者の指名方法)
第4条 消防長は、意見取りまとめ者を指名するときは、人事通知書によるものとする。
2 消防職員による意見取りまとめ者の推薦は、組織区分に所属する職員の話合いによるものとする。
3 組織区分の代表者は、当該組織区分が推薦する職員を推薦書(様式第1号の2)により消防長に推薦するものとする。
(消防職員の意見の提出)
第5条 消防長は、規則第9条第3項の期日は、委員長と協議して定めるものとする。
(委員会の会議)
第6条 委員会の会議は、公開しないものとする。
2 委員会の会議においては、意見を提出した者の氏名を伏せて審議するものとする。
3 委員会は、消防職員から提出された意見について、継続審議の取扱いをしないものとする。
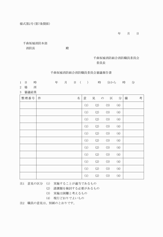
(1) 実施することが適当であるもの
(2) 諸課題を検討する必要があるもの
(3) 実施は困難と考えるもの
(4) 現行どおりでよいもの
(消防長の処置等)
第8条 消防長は、委員会の審議に基づき提出された意見に対し、その趣旨を尊重して処置するよう努めるものとする。
2 消防長は、前項の処置について、訓示等の機会を通じ職員に周知するものとする。
(委員及び職員への配慮)
第9条 所属長は、特別の事情がある場合を除き、委員である職員を委員会に出席させるものとする。
2 管理職員等は、職員が委員会へ意見を提出したこと又は委員会の委員として正当な行為を行った故をもって不利益な取扱いをしてはならないものとする。
(関係書類の備付け)
第10条 委員会に、委員名簿及び審議結果等の関係書類を備えるものとする。
附則
この訓令は、平成8年10月1日から施行する。
附則(平成15年9月1日訓令第5号抄)
(施行期日)
第1条 この訓令は、平成15年9月1日から施行する。
附則(平成17年8月1日訓令第1号)
この規程は、平成17年8月1日から施行する。


